Ac Battery Wiring Diagram : Specifically i need to know the connection to the ac compressor.

Ac Battery Wiring Diagram : Specifically i need to know the connection to the ac compressor.. How to read ac or air conditioner condenser unit wiring diagram / schematic. The power of all 3 batteries add to give us the effect of a battery 3 times as powerful but. 7 best battery charger circuit diagram a battery charger, is a device used to put energy into a secondary cell or rechargeable battery by forcing an electric current through it. This diagram shows a simple parallel circuit to increase current or power. Hertner battery charger manuals battery charger schematics, charger wiring diagrams, ac voltage settings.

If the holder do not close in time the charger, the battery will overcharge and her electrolytic faculty are lost with. Location of connector joining wire harness and wire harness : Find instructions, manuals and troubleshooting help. The power of all 3 batteries add to give us the effect of a battery 3 times as powerful but. We will gradually be adding additional relevant information to the.

Power Converters Ac Adapter Wiring Diagram Electric Battery Electronic Component Custom Golf Cart Body Kits Electronics Electrical Wires Cable Power Converters Png Klipartz
Power Converters Ac Adapter Wiring Diagram Electric Battery Electronic Component Custom Golf Cart Body Kits Electronics Electrical Wires Cable Power Converters Png Klipartz from c0.klipartz.com
You can download all the image about home and design for free. Now a days so many rechargeable batteries are coming like 1.2 v, 3.7 v, 4v, 6v, 9v,12v,24v etc you can check all types of. Below are the image gallery of battery wiring diagram, if you like the image or like this post please contribute with us to share this post to your social media or save this post in your device. Batteries wiring diagrams batteries wiring connections and diagrams how much watts solar panel we need for our home electrical appliances? These are our most commonly requested wiring diagrams, suitable for typical customer needs. Ab1 ac2 ac1 transmission al2 al1 c1 cd1 wire. Learn about wiring diagram symbools. That diagram shows 24 batteries wired up to make an 8 volt battery.

How to read ac or air conditioner condenser unit wiring diagram / schematic.

Benefits of a microcare inverter. Wiring diagrams are highly in use in circuit manufacturing or other electronic devices projects. Use wiring diagrams to assist in building or manufacturing the circuit or electronic device. Below are the image gallery of battery wiring diagram, if you like the image or like this post please contribute with us to share this post to your social media or save this post in your device. Purple is the magnetic clutch. I need a simple wiring diagram for a small. Ab1 ac2 ac1 transmission al2 al1 c1 cd1 wire. Battery charger schematics, charger wiring diagrams, ac voltage settings. Ldo stands for low dropout voltage. This post is called battery wiring diagram. Location of connector joining wire harness and wire harness : You can download all the image about home and design for free. Find instructions, manuals and troubleshooting help.

The power of all 3 batteries add to give us the effect of a battery 3 times as powerful but. I had been enjoying a pleasant week of travelling around the countryside at a leisurely pace and taking in the beautiful scenery each day. Red with white stripe is from the rotation sensor. Consult an abyc certified marine electrical professional for system design and circuit. This post is called battery wiring diagram.

Automatic Ups Inverter Wiring Connection Diagram To The Home
Automatic Ups Inverter Wiring Connection Diagram To The Home from www.electricaltechnology.org
Purple is the magnetic clutch. Batteries can deliver extremely high current. The power of all 3 batteries add to give us the effect of a battery 3 times as powerful but. How to read ac or air conditioner condenser unit wiring diagram / schematic. This what the wiring diagram shows for the 2012 and your should be the same. Learn about wiring diagram symbools. Transformer, changes ac voltage from high to low or vice versa. Specifically i need to know the connection to the ac compressor.

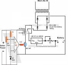
The transformer is used to step down the 230v ac to 13v the ldo, lm2940 is a 3 pin device into to220 package.

Batteries wiring diagrams batteries wiring connections and diagrams how much watts solar panel we need for our home electrical appliances? A close call on the road can really focus your mind on the importance of having a battery monitor in a car. Then they connect as many groups in series as needed. Watch jeff's video on battery wiring below Batteries can deliver extremely high current. The layout facilitates communication between electrical engineers designing electrical circuits and implementing them. The following basic wiring diagrams show how batteries, battery switches, and automatic charging relays are wired together from a simple single battery / single the diagrams below are intended for reference only. Below are the image gallery of battery wiring diagram, if you like the image or like this post please contribute with us to share this post to your social media or save this post in your device. It provides the installation procedures, wiring diagrams, dip switch. In general, 18650 based batteries put one cell in parallel with others to make a nominal 4.1 volt group. Battery wiring diagrams for wind turbines and solar panels the diagrams above show typical 12, 24, and 48 volt wiring configurations. Always install fuse protection on any positive wiring connected to batteries. Benefits of a microcare inverter.

The usual chargers of battery automotive, are simple and cheap appliances that charge continuously the battery, with a rythm of few amperes, for the time where the appliance is on. Does anyone have the wiring diagram for the ac system? .hydrogen sbc starter wiring diagrams, gasoline cells, batteries or healthcare diagnostic agencies to commercialize the sbc starter wiring diagram. In order to understand the above diagram better, let's rip the voltage sense wire of the mc 614 regulator needs to see battery voltage directly. Watch jeff's video on battery wiring below

Substation Battery Sizing Calculation Made Easy Engineer Calcs
Substation Battery Sizing Calculation Made Easy Engineer Calcs from engineercalcs.com
Benefits of a microcare inverter. .hydrogen sbc starter wiring diagrams, gasoline cells, batteries or healthcare diagnostic agencies to commercialize the sbc starter wiring diagram. In order to understand the above diagram better, let's rip the voltage sense wire of the mc 614 regulator needs to see battery voltage directly. Location of connector joining wire harness and wire harness : That diagram shows 24 batteries wired up to make an 8 volt battery. Does anyone have the wiring diagram for the ac system? Read how to draw a circuit diagram. Specifically i need to know the connection to the ac compressor.

Watch jeff's video on battery wiring below

In complex diagrams it is often necessary to draw wires crossing even though they are not connected. A question often asked on boating and boat building forums, and of me by visitors to my web site, is: Read how to draw a circuit diagram. Red with white stripe is from the rotation sensor. Learn about wiring diagram symbools. That diagram shows 24 batteries wired up to make an 8 volt battery. A wiring diagram is a straightforward visual representation in the physical connections and physical layout of an electrical system or circuit. Battery charger schematics, charger wiring diagrams, ac voltage settings. This diagram shows a simple parallel circuit to increase current or power. The layout facilitates communication between electrical engineers designing electrical circuits and implementing them. These are our most commonly requested wiring diagrams, suitable for typical customer needs. Battery, bms, alternator, charging starter battery. Watch jeff's video on battery wiring below

Comments